Product classification
產品中心
最新資訊
未能查詢到您想要的文章
contact us
聯系我們
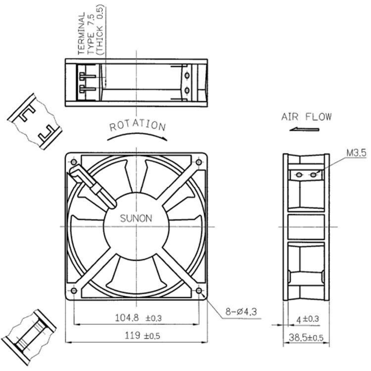
SP101A-1123HBL.GN
商品參數
商品介紹
一、風扇簡介及用途(sunon風扇)
SP101A-1123HBL.GN參數_SP101A-1123HBL.GN價格,SP101A-1123HBL.GN是建準自主研發的產品DR MagLev (Dust-Resistance MagLev )防阻微塵磁浮馬達風扇。該MagLev新科技框架式結構,可防止馬達定子、扇葉移位脫落,具有絕佳阻隔微塵效果、更高信賴性和更長壽命;適用于汽車電子、船舶、無人機、光電、軍工、網通等產業客戶的散熱設計;是各科技企業高效率、大批量生產加工的理想選擇。Sunon風扇具有低噪音,長壽命的特點。SP101A-1123HBL.GN,建準SP101A-1123HBL.GN,SunonSP101A-1123HBL.GN





1、sunon風扇自客戶收貨后算起一年內實行三包,提供維修及技術支持。
2、sunon風扇出現問題24小時內給予電話答復,如電話解決不了,48小時內到人。
3、保修期內風扇出現故障,免費為用戶更換及維修;及時為用戶提供分析報告分析具體不良原因,提供后續解決方案。
嘉興順所售風機為臺灣建準原裝,與簽訂供貨保證協議,讓客戶用得放心舒心。
- 其他散熱風扇

Sunon風扇咨詢
流量單位換算:
等于
壓力單位換算:
等于

